Published:2012/10/25 21:28:00 Author:muriel | Keyword: Automatic Charger , Battery Operated Hi-Fi Preamps | From:SeekIC

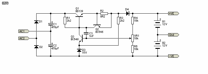
The charger is shown in Figure, and is a conventional (but very simple) regulator. A 3-terminal regulator is not suitable for this, as the voltage across it will be too high if the batteries are discharged. The charger uses a standard 15V transformer (which connects to the terminals marked ~In, Fig. 2), and uses a voltage doubler to provide a nominal 40V supply for the charger.
R1 provides current limiting so that heavily discharged batteries will not be damaged, nor damage the charger due to excessive current. Remember that Ni-Cd cells in particular should be charged at 0.1 x capacity - a 1AH (Ampere-Hour) cell should be charged at a maximum of 100mA (0.1 x 1).
As shown, the maximum current is limited to about 90mA - low enough for nearly all cells likely to be used for powering preamps and such. VR1 is used to set the float voltage, and this should be done as accurately as possible - a 10 turn pot is highly recommended to enable you to get an accurate setting. At 90mA, and with deeply discharged batteries, the dissipation in Q1 will be rather high - worst case is a little over 2 Watts, and a heatsink is essential. Should more current be needed, this is easily done by reducing the value of R2 - half the value will give double the current and vice versa. It is important that you ensure that the heatsink for Q1 is sufficient for the expected load current. C1 and C2 must be rated at a minimum of 50V - not because of the voltage, but to obtain a sufficiently high ripple current rating, especially when the charger is in current limit mode.
Reprinted Url Of This Article:
http://www.seekic.com/circuit_diagram/Power_Supply_Circuit/Automatic_Charger_for_Battery_Operated_Hi_Fi_Preamps.html
Print this Page | Comments | Reading(3)
Code: