Published:2009/7/20 3:04:00 Author:Jessie | From:SeekIC

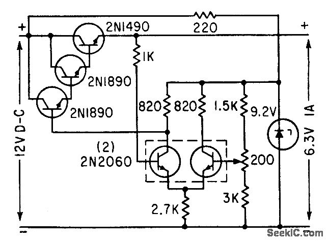
Provides constant voltage for filament of backward-wave oscillator. Output voltage is compared with fixed reference in d-c amplifier, and difference is used to control series pass element.-S. Prigozy, Designing Special Power Supplies for Voltage Tunable Oscillators, Electronics, 35:44, p 48-50.
Reprinted Url Of This Article:
http://www.seekic.com/circuit_diagram/Power_Supply_Circuit/BACKWARD_WAVE_OSCILLATOR_FILAMENT_SUPPLY.html
Print this Page | Comments | Reading(3)
Code: