Published:2009/7/24 2:01:00 Author:Jessie | From:SeekIC

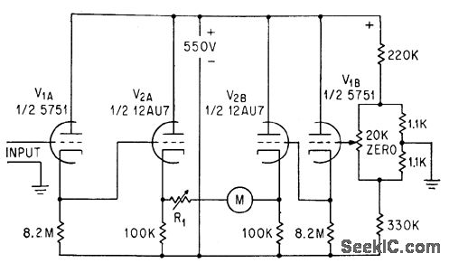
V1 operates at low plate current to keep grid current small; V2 operates normally to drive meter circuit. R1 is switched for voltage ranges. Chief drawback is that aging of tubes increases their output resistances, making meter read low.-J. J. Faran Jr., Hybrid Voltmeter Avoids Aging Errors, Electronics, 36:38, p 41.
Reprinted Url Of This Article:
http://www.seekic.com/circuit_diagram/Power_Supply_Circuit/BALANCED_VTVM.html
Print this Page | Comments | Reading(3)
Code: