Published:2009/7/16 23:35:00 Author:Jessie | From:SeekIC

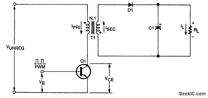
The figure shows a flyback converter, a variation on the boost regulator with a single switching transistor Q1 that eliminates the input inductor L1. This kind of off-line flyback switcher typically includes a bridge rectifier that converts the 120-Vac line voltage to 150 Vdc for the switching section. Current increases at a linear rate through the primary winding of transformer T1, which behaves like an inductor by storing energy in its core. As soon as Q1 cuts off, the magnetic field begins to collapse, and the winding polarities reverse. During the second half (flyback period), when Q1 is off, the energy is transferred to the secondary of transformer T1, charging capacitor C1 and feeding the output load. A PWM loop controls Q1's conduction by comparing output voltage to a set reference. If the load demands more current, the ON time is increased; if it demands less current, the ON time is decreased.
Reprinted Url Of This Article:
http://www.seekic.com/circuit_diagram/Power_Supply_Circuit/BASIC_FLYBACK_CONVERTER_CIRCUIT.html
Print this Page | Comments | Reading(3)
Code: