Published:2009/7/16 22:44:00 Author:Jessie | From:SeekIC

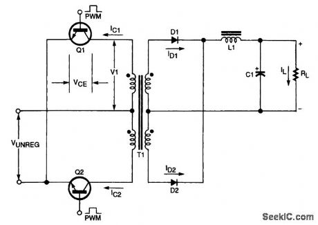
The push-pull converter consists of two forward converters working 180° out of phase. Both halves of the push-pull Converter deliver current to the load at each half cycle, and the inductor stores energy. Diodes D1 and D2 conduct simultaneously between transistor conduction, effectively short-circuiting the secondary isolation transformers. Acting as flywheel diodes, these diodes deliver useful power to the output.
Reprinted Url Of This Article:
http://www.seekic.com/circuit_diagram/Power_Supply_Circuit/BASIC_PUSH_PULL_CONVERTER_CIRCUIT.html
Print this Page | Comments | Reading(3)
Code: