Published:2009/7/20 21:23:00 Author:Jessie | From:SeekIC

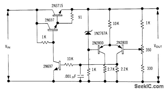
Output volt-age is regulated by 2N37l5 series-pass sill con power transistor having rise and fall limes below 0.5 microsec at 5 amp. Transistor has wide safe-area range, but circuit otherwise has no overload protection.-J. Takesuye and H. Weber, Silicon Power Transistors Provide New Solutions to Voltage Control Problems, Motorola Application Note AN-163, Aug. 1965.
Reprinted Url Of This Article:
http://www.seekic.com/circuit_diagram/Power_Supply_Circuit/BASIC_SERIES_PASS_REGULATOR.html
Print this Page | Comments | Reading(3)
Code: