Published:2009/7/20 21:28:00 Author:Jessie | From:SeekIC

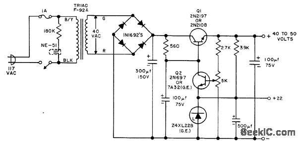
Provides voltage regulation within 2% at 400 ma, with peak-to peak output ripple below 0.3 v. Output impedance is less than 2 ohms from d-c to 20 cps.- Transistor Manual, Seventh Edition, General Electric Co., 1964, p 227.
Reprinted Url Of This Article:
http://www.seekic.com/circuit_diagram/Power_Supply_Circuit/BASIC_SERIES_REGULATOR.html
Print this Page | Comments | Reading(3)
Code: