Published:2009/7/20 21:25:00 Author:Jessie | From:SeekIC

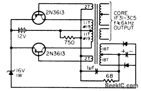
Used in battery-powered instruments to compensate for wide range of battery voltages. Converter serves to provide required variety of operating voltages and isolate equipment from sup ply. Will hold output within 0.5 v of 16 v for input range of 11.5 to 19 v.-C. D. Lind-say, Combined Battery Converter-Regulator Power Source, EEE, 14:3, p 61.
Reprinted Url Of This Article:
http://www.seekic.com/circuit_diagram/Power_Supply_Circuit/BATTERY_VOLTAGE_REGULATOR.html
Print this Page | Comments | Reading(3)
Code: