Published:2009/7/17 4:11:00 Author:Jessie | From:SeekIC

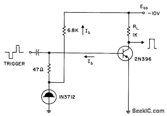
Fast switching speed of tunnel diode contributes to output waveform.- Transistor Manual, Seventh Edition, General Electric Co., 1964, p 367.
Reprinted Url Of This Article:
http://www.seekic.com/circuit_diagram/Power_Supply_Circuit/BISTABLE__TD_TRANSISTOR.html
Print this Page | Comments | Reading(3)
Code: