Published:2009/7/16 1:29:00 Author:Jessie | From:SeekIC

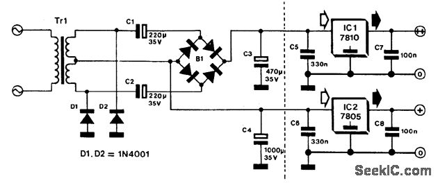
This bridge circuit is intended for those cases where two unequal supply voltages are required. The lower voltage is obtained with the aid of a transformer with symmetric windings and half-wave rectification of the potential across one winding.
For the higher voltage, the potential across both windings is rectified. To that end, the output of the transformer is linked to the bridge rectifier via two electrolytic capacitors that provide isolation of the two direct voltages.
A bonus with this type of circuit is that although the two supplies can be loaded unequally, the currents through the two transformer windings are the same. Thus, the transformer is loaded symmetrically so that its full capacity can be used. Moreover, no unnecessary dissipation is in the voltage regulators.
The load on the lower voltage supply depends primarily on the rating of the transformer. The load on the higher voltage supply is limited by the reactance of C1 and C2 ( 1/2π 50 C) and the required minimum output voltage.
Reprinted Url Of This Article:
http://www.seekic.com/circuit_diagram/Power_Supply_Circuit/BRIDGE_RECTIFIER.html
Print this Page | Comments | Reading(3)
Code: