Published:2009/6/29 20:59:00 Author:May | From:SeekIC

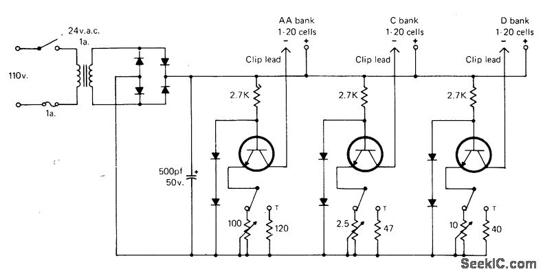
Can handle up to 20 AA cells, 20 C cells, and 20 D cells simultaneouslt, with charging rate determined separately for each type. Single transfrmer and fullwave rectifier feed about 24 VCD to three separate regulators. AA-cell regulator uses 100-ohm resistor to vary charge rate from 6 mA to above 45 mA, C-cell chargerate range is 24 to 125 mA, and D-cell range is 60 to 150 mA. Batteries of each type should be about same state of discharge. Batteries are recharged in series to avoid need for separate regulator with each cell. Tricklecharge switches cut charge rates to about 2% of rated normal charge (5 mA for 500-mAh AA cells).Transistors are 2N4896 or equivalent. Use heatsinks. All diodes are 1N4002.-J.J. Schultz, A Bull Ni-Cad Recharger, CQ, Dec. 1977, p 35-36 and 111.
Reprinted Url Of This Article:
http://www.seekic.com/circuit_diagram/Power_Supply_Circuit/BULK_NICAD_CHARGER.html
Print this Page | Comments | Reading(3)
Code: