Published:2009/7/19 21:50:00 Author:Jessie | From:SeekIC

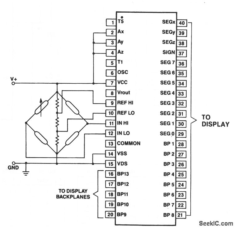
This shows an ICL7182 bargraph converter connected to measure ratiometric values of quad load cells, and to display the results on a bargraph. The resistor values within the load-cell bridge are determined by the desired sensitivity.Harris Semiconductors, Data Acquisition 1991 p. 2-143
Reprinted Url Of This Article:
http://www.seekic.com/circuit_diagram/Power_Supply_Circuit/Bargraph_display_of_quad_load_cell_values.html
Print this Page | Comments | Reading(3)
Code: