Published:2013/5/2 21:35:00 Author:muriel | Keyword: 10 Amp , Solar Charge Controller, LM324 | From:SeekIC

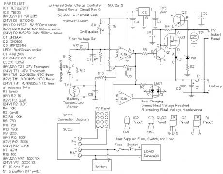
This is a solar charge controller, it’s function is to regulate the power flowing from a photovoltaic panel into a rechargeable battery. It features easy setup with one potentiometer for the float voltage adjustment, an equalize function for periodic overcharging, and automatic temperature compensation for better charging over a range of emperatures.
Reprinted Url Of This Article:
http://www.seekic.com/circuit_diagram/Power_Supply_Circuit/Battery_Charger/10_Amp_Solar_Charge_Controller_by_LM324.html
Print this Page | Comments | Reading(3)
Code: