Published:2012/9/18 21:23:00 Author:Ecco | Keyword: 12V, Battery checker | From:SeekIC


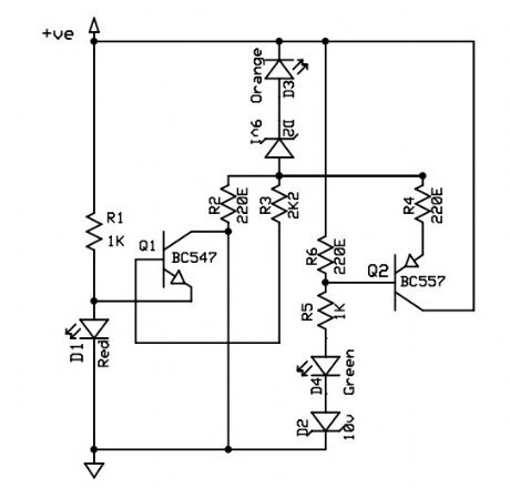
This is a 12V battery checker circuit that uses 3 LEDs that light up at their respective voltages. The red LED lights up when the battery voltage is between 8 to 10V, the orange one at voltages between 10.5V to 12V and the green one when the battery voltage is above 12.5V.This is a tried and tested battery checker circuit using one NPN and one PNP transistor. A PCB is given along with the schematic.
6 Responses to “12V Battery checker circuit”
Reprinted Url Of This Article:
http://www.seekic.com/circuit_diagram/Power_Supply_Circuit/Battery_Charger/12V_Battery_checker_circuit.html
Print this Page | Comments | Reading(3)
Code: