Published:2013/3/22 3:02:00 Author:Ecco | Keyword: 60 Watt , Laptop Battery Charger | From:SeekIC

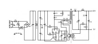
The circuit is designed for laptop battery charger with 20V output voltage. This circuit uses TOP 246 Y made by Power integrations. TOP 246 Y eliminates half the discrete components compared with the UC3842. As promised Power Integration, this IC is more reliable, has a smaller form, reducing the time in designing and saving costs.
Reprinted Url Of This Article:
http://www.seekic.com/circuit_diagram/Power_Supply_Circuit/Battery_Charger/60_Watt_Laptop_Battery_Charger.html
Print this Page | Comments | Reading(3)
Code: