Published:2009/6/28 23:53:00 Author:May | From:SeekIC

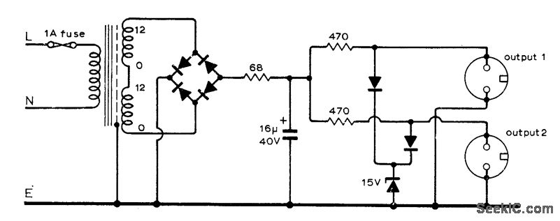
Developed to charge 200-mAh nickel-cadmium batteries for two transceivers simultaneously. Batteries will be fully charged in 14 hours, using correct 20-mA charging rate. Zone diode ensures that voltage cannot exceed safe value if battery is accidentally disconnected while under charge. Diode types are not critical.-D. A. Tong,A Pocket V.H.F. Transceiver, Wireless World, Aug, 1974 p 293-298.
Reprinted Url Of This Article:
http://www.seekic.com/circuit_diagram/Power_Supply_Circuit/Battery_Charger/96_V_AT_20_mA.html
Print this Page | Comments | Reading(3)
Code: