Published:2009/6/22 22:17:00 Author:May | From:SeekIC

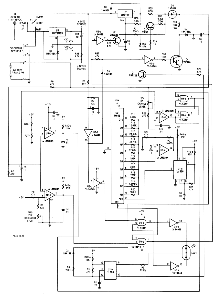
The battery butler solves the common problems associated with the maintenance and operationof NiCad batteries The battery butler,by initially discharging a NiCad battery to a preset point,reduces the possibility of the“memory”effect occurring,Once discharged,a battery is then usuallycharged at 25%and reduce the internal cell pressure increase by 40% or more Once the battery ISfully charged,a trickle charge IS provided to maintain the battery In a fully charged state The battery butler circuit can be bypassed,and the existing fast-charger used,if needed
Reprinted Url Of This Article:
http://www.seekic.com/circuit_diagram/Power_Supply_Circuit/Battery_Charger/BATTERY_BUTLER.html
Print this Page | Comments | Reading(3)
Code: