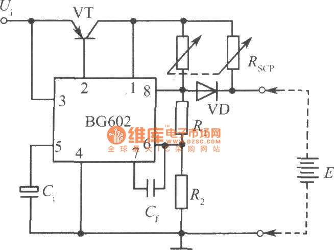
Published:2011/6/16 22:14:00 Author:chopper | Keyword: charger circuit | From:SeekIC

Reprinted Url Of This Article:
http://www.seekic.com/circuit_diagram/Power_Supply_Circuit/Battery_Charger/BG602_charger_circuit.html
Print this Page | Comments | Reading(3)
Code: