Published:2011/9/12 22:04:00 Author:John | Keyword: protection device | From:SeekIC

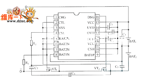
BQ2058 and BQ2058T / X are specifically for the series combination of lithium-ion battery. In the circuit, BQ2058T can achieve the connection of two lithium-ion batteries in series and BQ2058X can achieve the connection of three or four series Li-ion batteries. Extremely low operating current makes lithium-ion battery generator not over-discharge during storage. And the systematic effective discharge loads can not be increased. In the internal parts of the lithium-ion battery generator, BQ2058T / X is the part of the low-loss charge and discharge control and protection system. The BQ2058T discharging protection device is shown.
Reprinted Url Of This Article:
http://www.seekic.com/circuit_diagram/Power_Supply_Circuit/Battery_Charger/BQ2058T_charging_and_discharging_protection_device_circuit.html
Print this Page | Comments | Reading(3)
Code: