Published:2011/5/9 1:58:00 Author:John | Keyword: Timing Ni-Cd battery charger | From:SeekIC

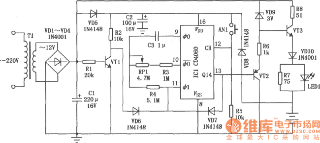
This circuit is a timing charger. The charging time can be adjusted from 5 to 25 hours. If power failure occurs in the charging process, the circuit has a function of cumulative timing. The circuit is available for recharging a 5 nickel-cadmium battery.
Reprinted Url Of This Article:
http://www.seekic.com/circuit_diagram/Power_Supply_Circuit/Battery_Charger/CD4060_Timing_Ni_Cd_battery_charger_circuit.html
Print this Page | Comments | Reading(3)
Code: