Published:2011/10/20 22:38:00 Author:Rebekka | Keyword: Charging circuit | From:SeekIC

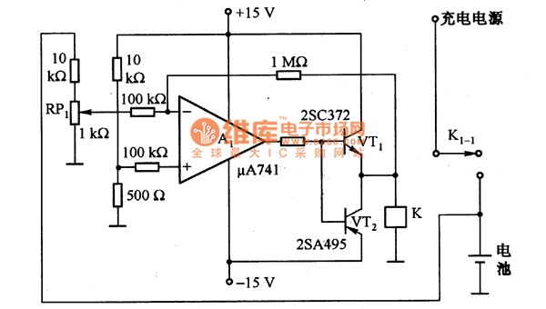
The figure shows the charging circuit composed of μA741. The battery voltage passes RP1 and adds to the inverting input terminal of A1. When the battery voltage is low, A1 outputs high, VT1 and VT2 turn on, the relay K will be energized, then the contacts K1-1 close. The charging power supply charges for the battery. When the battery is fully charged, the voltage is increased, A1 outputs low level, VT1 and VT2 stop, the relay K loses power,then the K1-1 disconnects, the battery will stops charging.
Reprinted Url Of This Article:
http://www.seekic.com/circuit_diagram/Power_Supply_Circuit/Battery_Charger/Charging_circuit_composed_of_μA741.html
Print this Page | Comments | Reading(3)
Code: