Published:2013/5/2 21:17:00 Author:muriel | Keyword: Li Polymer , Battery Charger , ISL6292 | From:SeekIC


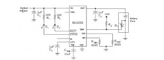
This is a Li-ion/Li Polymer Battery Charger with ISL6292 which is an integrated single-cell Li-ion or Li-polymer battery charger capable of operating with an input voltage as low as 2.4V. This charger is designed to work with various types of AC adapters or a USB port.The ISL6292 operates as a linear charger when the AC adapter is a voltage source. The battery is charged in a CC/CV (constant current/constant voltage) profile. The charge current is programmable with an external resistor up to 2A.
Reprinted Url Of This Article:
http://www.seekic.com/circuit_diagram/Power_Supply_Circuit/Battery_Charger/Li_Polymer_Battery_Charger_with_ISL6292.html
Print this Page | Comments | Reading(3)
Code: