Published:2011/10/26 21:17:00 Author:May | Keyword: Multi-functional automatic charger | From:SeekIC


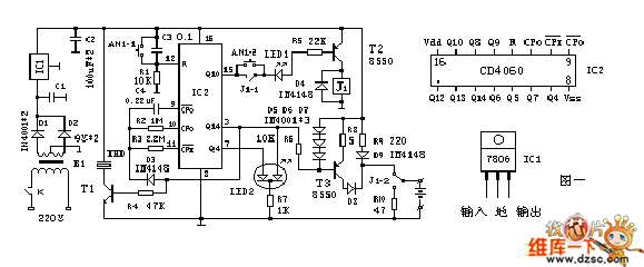
The working principle is shown in Figure one. It is the controller with CD4060 being the core. CD4060 is the 14-bit binary serial counting/frequency divider and oscillator. It has two parts: one is the 14 levels of frequency divider, and its frequency division coefficient is 16-16384 (it is output by Q4,¯Q14). Another part is the oscillator, which may be the RC oscillator composed of the external connecting resistor and capacitor. f=1/2.2RT CT. It is shown in Figure two. This installment is the oscillator composed of the C4, R2, R3, and the frequency approximately is the 0.2Hz. LED2 is the bi-color light emitter diode.
Reprinted Url Of This Article:
http://www.seekic.com/circuit_diagram/Power_Supply_Circuit/Battery_Charger/Multi_functional_automatic_charger_circuit.html
Print this Page | Comments | Reading(3)
Code: