Published:2011/5/7 12:36:00 Author:John | Keyword: Portable battery charger, multi-functional battery charger | From:SeekIC

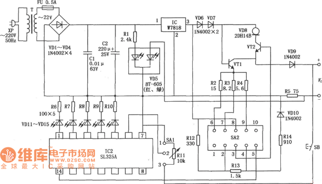
The shown portable multi-functional battery charger circuit is the circuit for a multi-functional Ni-Cd battery charger. It can be used for recharging special nickel-cadmium rechargeable batteries on portable radio transmitters. It can also be used for recharging the standard nickel-cadmium batteries 5, 2 or 4. When the battery capacity reaches saturation during the charging, it automatically terminates the charge, prevents the battery overcharge and has the battery capacity test display.
Reprinted Url Of This Article:
http://www.seekic.com/circuit_diagram/Power_Supply_Circuit/Battery_Charger/Portable_multi_functional_battery_charger_circuit.html
Print this Page | Comments | Reading(3)
Code: