Published:2009/7/24 8:41:00 Author:Jessie | From:SeekIC


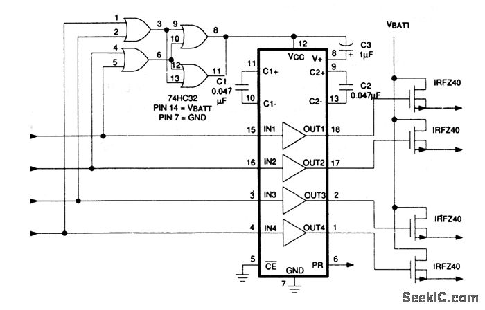
This circuit controls four loads via low on-resistance N-channel MOSFETs. If all four switches are programmed off, the power supply input to the MAX620 is disconnected, and the standby supply drain is reduced to 2μA.
Reprinted Url Of This Article:
http://www.seekic.com/circuit_diagram/Power_Supply_Circuit/Battery_management_circuit_with_ultra_low_standby.html
Print this Page | Comments | Reading(3)
Code: