Published:2011/3/28 21:12:00 Author:Nicole | Keyword: boost output | From:SeekIC

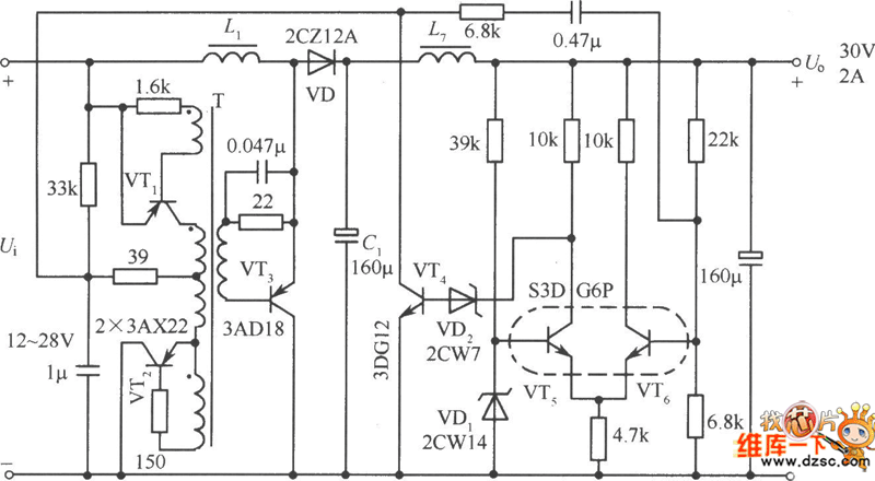
VT3 is switching regulator; regulator tube VD2 can change potential; VT4 is inverting isolation amplifier; VT4 and its load 33kΩ resistor divide Ui. The two voltage supply for pulse generator circuit. Pulse generator circuit is composed of transformer T and VT1, VT2. This is a non-symmetric self-excited multivibrator of transformer feedback. The power supply of VTl is from 33kΩ resistor, and the current of resistance depends on VT4, VT1, VT2 have different supply voltage, the amplitude of each half weeks of oscillation is proportional changed, the width is inversely proportional changed, the on/off time of VT3 is controled. When the output voltage increases, the differential pair VT6 current of error amplifier increases, VT5 current decreases, the collector potential rises, VT4 current increases, the voltage of 33kΩ resistor voltage drop increases, VT1 supply voltage increases, shortened the on time, shortened the on time of switch VT3. According to the expression of boost output voltage: we can see, the output voltage Uo down to achieve voltage regulation. Conversely, when the output voltage drops, according to the above process to adjust on the opposite, to rise the output voltage, maintaining the output voltage stable. The input voltage is 12 ~ 28V, then the output voltage can be stable for the 30V, maximum output power is 60W, efficiency is 89.4% to 94.7%, instability is ± 0.33%, the output voltage ripple factor is 0.02%, operating frequency is 10kHz.
Reprinted Url Of This Article:
http://www.seekic.com/circuit_diagram/Power_Supply_Circuit/Boost_output_circuit_diagram_with_low_power_dissipation.html
Print this Page | Comments | Reading(3)
Code: