Published:2011/8/26 3:32:00 Author:TaoXi | Keyword: power supply | From:SeekIC

Reprinted Url Of This Article:
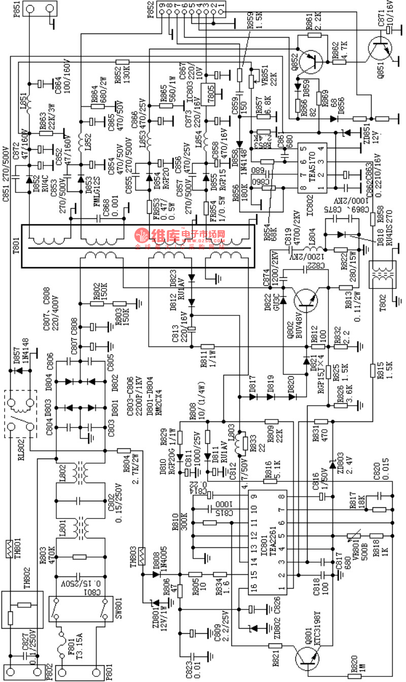
http://www.seekic.com/circuit_diagram/Power_Supply_Circuit/C6458_power_supply_circuit.html
Print this Page | Comments | Reading(3)
Code: