Published:2009/7/17 2:46:00 Author:Jessie | From:SeekIC

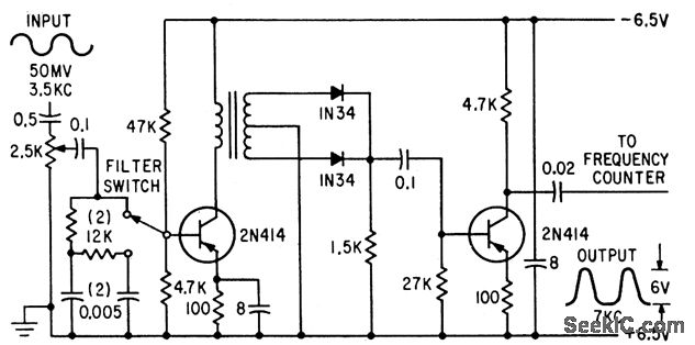
Amplifier restores leading edge of sinusoidal signal that has travailed through up to 35,000 feet of cable from deep-sea velocimeter. Frequency is then doubled by diodes, for ease of counting.-L. Dulberger, DeepOcean Velocimeter Aids Sonar Systems Design, Electronics, 34:22, p 41-43.
Reprinted Url Of This Article:
http://www.seekic.com/circuit_diagram/Power_Supply_Circuit/CABLE_TERMINATION_FOR_VELOCIMETER.html
Print this Page | Comments | Reading(3)
Code: