Published:2009/7/15 3:49:00 Author:Jessie | From:SeekIC

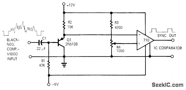
By setting DC reference input of 710 comparator at 0.15 CDC.only horizontal sync pulses are extracted from composite black-negative video signal to appear at comparator output Setting reference level at 0.35 VDC gives only blanking pulses at output.-R,G, Groom IC Comparator Separates Sync Pulses EDN Magazine, Sept 15.1970.p 53-54.
Reprinted Url Of This Article:
http://www.seekic.com/circuit_diagram/Power_Supply_Circuit/COMPARATOR_SEPARATES_STNC_PULSES.html
Print this Page | Comments | Reading(3)
Code: