Published:2009/7/17 4:26:00 Author:Jessie | From:SeekIC

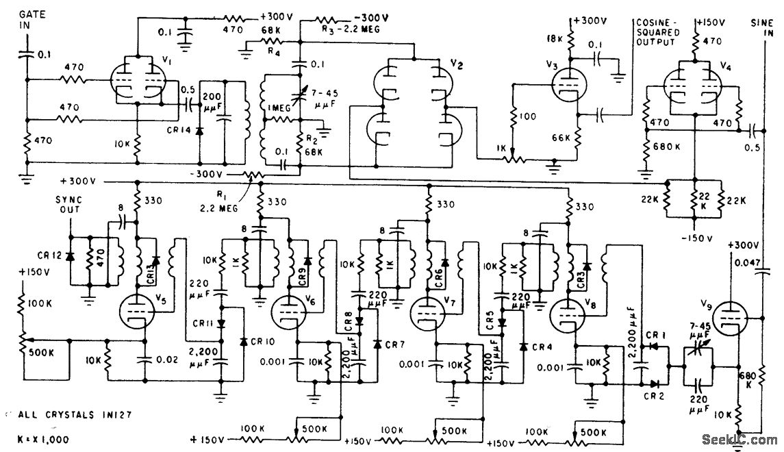
Generates pulse whose width is half the duration. of one input sine-wave cycle. Cosine-squared pulse output is fed into balanced modulator in conjunction with 30-Mc signal, and resulting burst is used as input to synchrodyne, klystron.-K. H. Chase and J. L Pierzga Reducing Mutual Radar Interference, Electronics, 32:28, p 39-43.
Reprinted Url Of This Article:
http://www.seekic.com/circuit_diagram/Power_Supply_Circuit/COSINE_SQUARED_PULSE_GENERATOR.html
Print this Page | Comments | Reading(3)
Code: