Published:2009/7/16 20:20:00 Author:Jessie | From:SeekIC

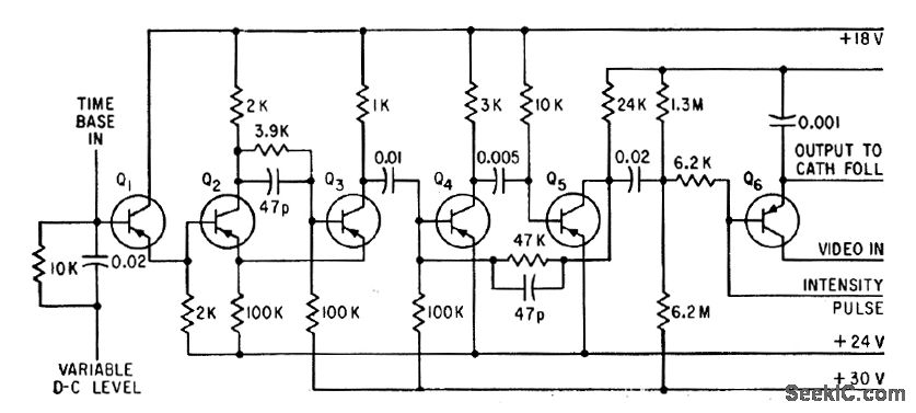
Variable input level determines part of telemetry signal that is selected for cathode-ray display.Output of Schmitt trigger Q2-Q3 is square wave with repetition rate determined by time-base frequency, and mark-space ratio controlled by variable d-c level input.-A. D. Runnalis, Bluebird Racer's Telemetry System,Electronics, 33:44, p 70-72.
Reprinted Url Of This Article:
http://www.seekic.com/circuit_diagram/Power_Supply_Circuit/CRO_LEVEL_CONTROLLED_STROBE.html
Print this Page | Comments | Reading(3)
Code: