Published:2009/7/19 22:30:00 Author:Jessie | From:SeekIC

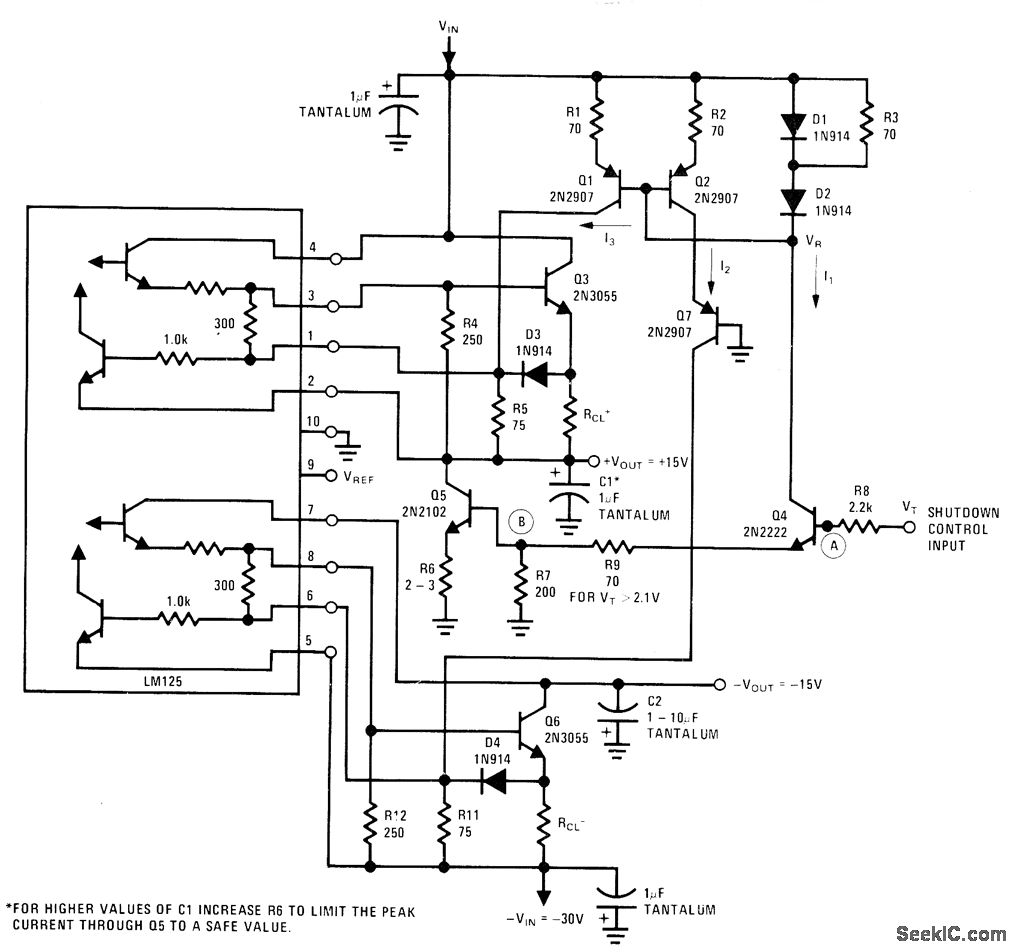
Circuit provides complete shutdown for both sections of National LM125 dual tracking regulator without affecting unregu-Iated inputs that may be powering additional equipment. Shutdown control signal is TTL-compatible, but regulator may be shut down at any desired level by adjusting values of R8 and R9. Control signal is used to short internal reference voltage of regulator to ground, thereby forcing positive and negative outputs to about +700 mV and +300 mV respectively. When shutdown signal is applied, Q4 draws current through R3 and D2, establishing voltage VR that starts current sourcesQ1 and Q2. Currents I1, I2, and I3 are then equal so both sides of regulator are shut down simultaneously.-T. Smathers and N. Sevastopoulos, LM125/LM126/LM127 Precision Dual Tracking Regulators, National Semiconductor, Santa Clara, CA, 1974, AN-82, p14.
Reprinted Url Of This Article:
http://www.seekic.com/circuit_diagram/Power_Supply_Circuit/CURRENT_BOSTING_WITH_ELECTRONIC_SHUTDOWN.html
Print this Page | Comments | Reading(3)
Code: