Published:2009/7/17 2:00:00 Author:Jessie | From:SeekIC

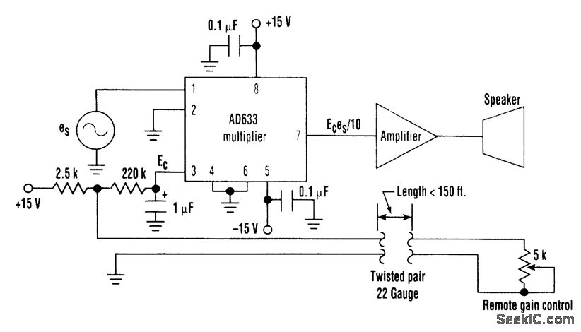
At times, gain control that is remote from the amplifier and speaker is required. However, merely extracting the gain-control potentiometer from a typical amplifier and placing it remotely will contaminate the signal with pickup. One simple solution is to use an analog multiplier as a gain-control element. The 2.5-kΩ resistor and the remote gain-control potentiometer form an attenuator of the +15-V supply, whose output is filtered through a low-pass RC filter. The resistance of the twisted pair of leads is negligible compared with the potentiometer's 5-kΩ resistance. When the remote gain-control potentiometer is at maxim Um resistance, the control voltage, Ec,at pin 3 of the multiplier is at a nominal value of + 10 Vdc. This results in a maximum input amplitude to the amplifier, which is equal to the original input signal es Correspondingly, when the gain-control potentiometer is set to zero resistance, the signal input to the amplifier is nominally zero. Any ac signals that might be picked up by the long run of wire are effectively attenuated by the large time constant of the low-pass filter.
Reprinted Url Of This Article:
http://www.seekic.com/circuit_diagram/Power_Supply_Circuit/CUTTING_NOISE_PICKUP_WITH_REMOTE_GAIN.html
Print this Page | Comments | Reading(3)
Code: