Published:2011/5/13 5:41:00 Author:Sue | Keyword: Common, Electrical Motor, Controlled | From:SeekIC

Working Principle:
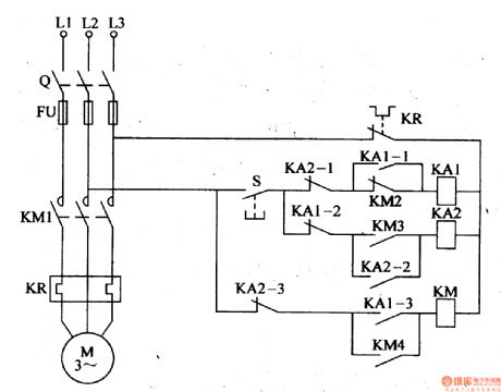
As seen in the figure 4-112, the button controlled motor circuit consists of knife switch Q, fuse FU, ac contactor KM, thermal relay KR, intermediate relay KA1,KA2 and control button S.
When we start the circuit, we should connect the knife switch Q, and push S to connect KA1, which will connect KA1-1 and KA13. The normally closed interlock KA1-2 is disconnected, which makes normally opened main interlock KM1 and assist interlock KM3,KM4 connected, and M begins to work. When S is released, KA is disconnected, and KM is still connected under the action of KM4.
When we stop the circuit, push S, and KA2 is connected, normally opened interlock KA2-2 is connected, while normally closed interlock KA2-1 and KA2-3 are disconnected, which makes KM released, then M stops working.
Reprinted Url Of This Article:
http://www.seekic.com/circuit_diagram/Power_Supply_Circuit/Common_Electrical_Motor_Controlled_Circuit_2.html
Print this Page | Comments | Reading(3)
Code: