Published:2011/5/9 5:22:00 Author:Sue | Keyword: Constant Luminance Kept by Thyristor Circuit | From:SeekIC

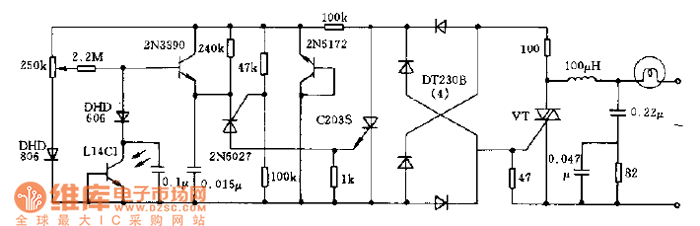
As seen in the figure, according to the luminance, circuit controlls the voltage by controlling phase shifting angles of the bi-directional thyristor with photo transistor L14C1, in order to keep the constant luminance. The thyristor specification and the power of the corresponding light are the same with what is said in Figure 7.5.
Reprinted Url Of This Article:
http://www.seekic.com/circuit_diagram/Power_Supply_Circuit/Constant_Luminance_Kept_by_Thyristor_Circuit.html
Print this Page | Comments | Reading(3)
Code: