Published:2013/3/18 4:15:00 Author:Ecco | Keyword: Converter, 9V to 13.5kV | From:SeekIC

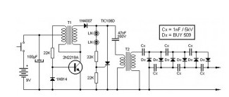
This high voltage source is formed by an inverter, around the transistor, which provides pulses of 150V to the inverter formed by the thyristor and capacitor in series with the transformer 2. This pulse output of 4.5kV to be multiplied with the network so as to achieve the output voltage of 13.5kV. Neon lamps (marked LN) form the thyristor triggering pulses.
Reprinted Url Of This Article:
http://www.seekic.com/circuit_diagram/Power_Supply_Circuit/Converter_9V_to_135kV.html
Print this Page | Comments | Reading(3)
Code: