Published:2009/7/20 22:05:00 Author:Jessie | From:SeekIC

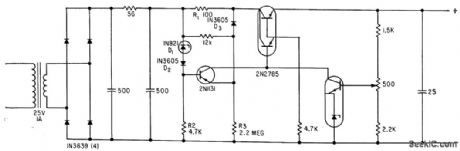
Integrated transistor and zener diode in reference amplifer act with 2N2795 Darlington transistor to hold 50-ma output to within less than 0.001% of 12 v over 10% variation in a-c line voltage.-T. P. Sylvan, New Device Simplifies Power Supply Design, Electronics, 36:20, p 39-43.
Reprinted Url Of This Article:
http://www.seekic.com/circuit_diagram/Power_Supply_Circuit/DARLINGTON_TRANSISTOR_SERIES_REGULATOR.html
Print this Page | Comments | Reading(3)
Code: