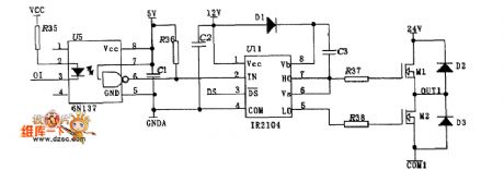
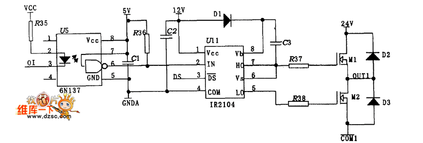
Published:2011/3/20 22:53:00 Author: | Keyword: DC machine half-bridge drive | From:SeekIC

Reprinted Url Of This Article:
http://www.seekic.com/circuit_diagram/Power_Supply_Circuit/DC_machine_half_bridge_drive_circuit_diagram.html
Print this Page | Comments | Reading(3)
Code: