Published:2011/7/4 22:09:00 Author:Lucas | Keyword: DC power , on-off switch | From:SeekIC

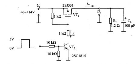
It is the switch circuit with the input voltage in +6 to +14 V, load current I in lOA. Minimum input voltag is decided by the used MOSFET (VTl) gate threshold voltage. VT2 collector current is decided by the required switching speed. If it uses P-channel power MOSFET, the gate resistance can be high because of IC being small, so the current consumption can be low. If the open speed is faster, the drain current is large. When conditions are bad, it can be connected capacitor between gate - source pole of VTl.
Reprinted Url Of This Article:
http://www.seekic.com/circuit_diagram/Power_Supply_Circuit/DC_power_on___off_switch_circuit.html
Print this Page | Comments | Reading(3)
Code: