Published:2013/3/18 21:06:00 Author:Ecco | Keyword: DC power supply, 3-30V , 3A stabilized | From:SeekIC

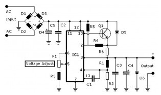
This DC power supply circuit diagram is designed as an additional or as a permanent power supply for all general circuits based on a stable DC voltage between 3 and 30V provided that current consumption does not exceed 3A. Of course, this DC power supply can also be used to other purposes. By replacing the trimmer by a potentiometer, it can even be used as adjustable supply unit. A good quality heatsink must be used.
Reprinted Url Of This Article:
http://www.seekic.com/circuit_diagram/Power_Supply_Circuit/DC_power_supply_3_30V_3_30V_3A_stabilized.html
Print this Page | Comments | Reading(3)
Code: