Published:2011/7/8 20:56:00 Author:chopper | Keyword: DC, power supply | From:SeekIC

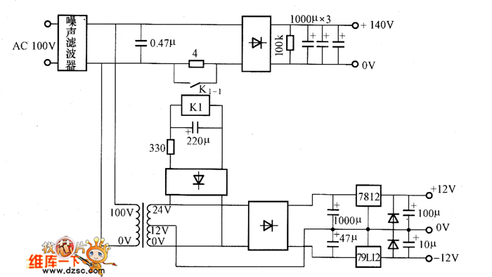
Figure shows the DC power supply circuits. AC 100V voltage is converted into a 140V DC voltage after it is commutated by the bridge rectifier and smoothed by smoothing capacity (3 1000μF capacitor in parallel), and the DC voltage is the main circuit power supply. AC 100V voltage offer stable ±12V power supply for control circuit after it is steped down by transformer,commutated by the bridge rectifier and smoothed by smoothing capacity,then regulated by 7812 and 79L12.The circuit adopts relay K1 to prevent impulse current at the moment when the power is connected.At this time,the relay K1 will stop contact K1-1, and add 4 Ω current-limiting resistor to the circuit.
Reprinted Url Of This Article:
http://www.seekic.com/circuit_diagram/Power_Supply_Circuit/DC_power_supply_circuit.html
Print this Page | Comments | Reading(3)
Code: