Published:2009/7/16 20:26:00 Author:Jessie | From:SeekIC



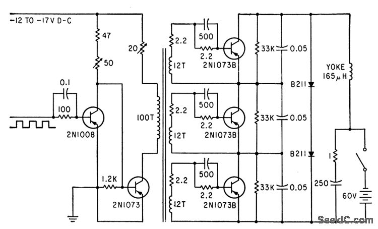
Circuit provides 5-amp peak-to-peak yoke current for full 70°defleaction of analog computer display. Rapid collector turnoff minimizes retrace lime. two B-211 diodes,series-connected as dampers,must be matched for voltage division.-R.S. Hartz and R. C. Allen, Reliable Circuit Supplies High Peak Deflection Voltages:EIectronics, 35:41,p 54-55.
Reprinted Url Of This Article:
http://www.seekic.com/circuit_diagram/Power_Supply_Circuit/DEFLECTING_22_INCH_CRT_AT_50_KC.html
Print this Page | Comments | Reading(3)
Code: