Published:2009/7/16 5:35:00 Author:Jessie | From:SeekIC

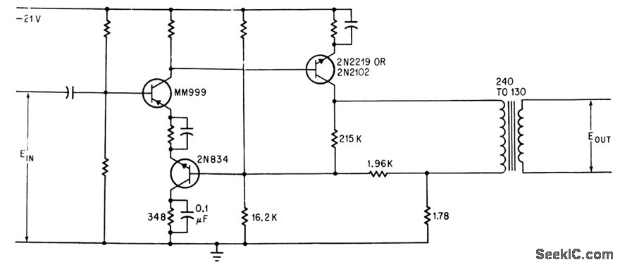
Uses bridge feedback to give bandwidth of 30 to 300 kc with 40 db gain, for handling group of telephone channels as baseband amplifier.-N. A. Zellmer, Getting the Most Out of Feedback, Electronics, 39:2, p 66-72.
Reprinted Url Of This Article:
http://www.seekic.com/circuit_diagram/Power_Supply_Circuit/DIFFERENTIAL_BOOTSTRAP_AMPLIFIER_WITH_BRIDGE_FEEDBACK.html
Print this Page | Comments | Reading(3)
Code: