Published:2009/7/17 2:04:00 Author:Jessie | From:SeekIC

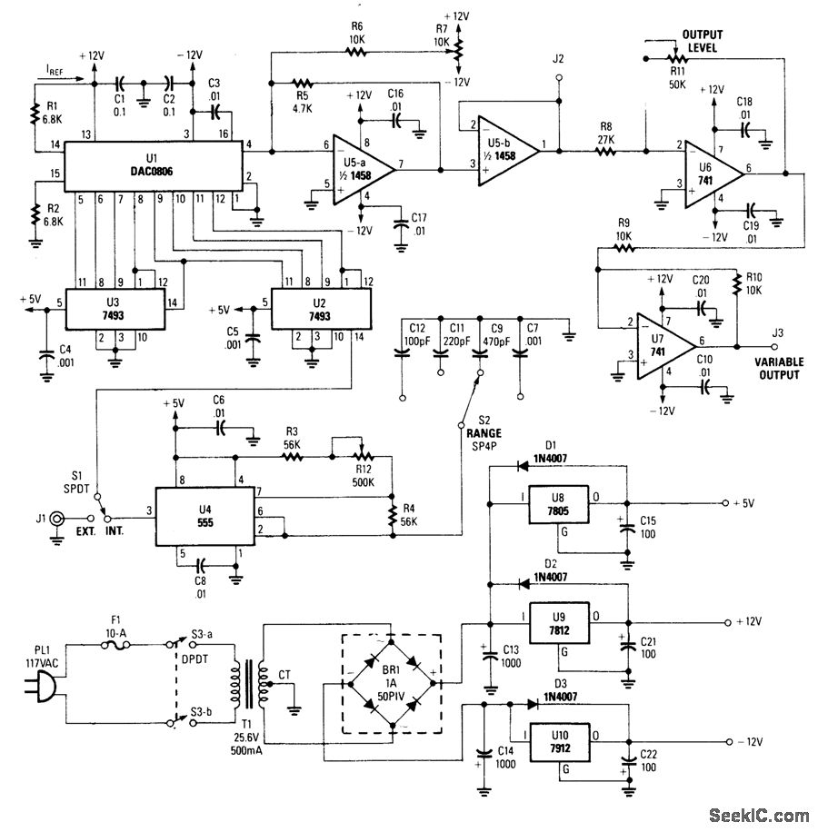
This straightforward circuit uses an NE555 timer as an oscillator, a 7493 counter chain and a DAC0806 D/A converter. The counter output feeds the DAC, producing a linearly increasing voltage, which drives an op amp and a dc-level insertion circuit. The clock frequency must be 256 times the desired sawtooth output frequency.
Reprinted Url Of This Article:
http://www.seekic.com/circuit_diagram/Power_Supply_Circuit/DIGITAL_SAWTOOTH_GENERATOR.html
Print this Page | Comments | Reading(3)
Code: