Published:2009/7/16 5:53:00 Author:Jessie | From:SeekIC

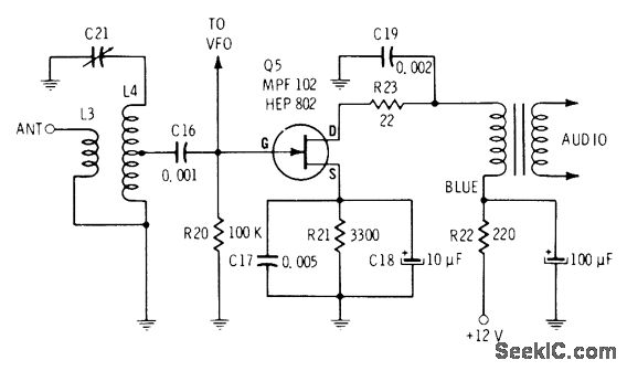
Antenna is matched to high-impedance gate input of JFET with resonant input transformer. Demodulating carrier is applied to same gate. RC filter and audio transformer in output circuit of JFET recover demodulating audio while filtering out RF signals and undesired mixing components.-E. M. Noll, FET Principles, Experiments, and Projects, Howard W. Sams, Indianapolis, IN, 2nd Ed., 1975, p 155.
Reprinted Url Of This Article:
http://www.seekic.com/circuit_diagram/Power_Supply_Circuit/DIRECT_CONVERSION_PRODUCT_DETECTOR.html
Print this Page | Comments | Reading(3)
Code: