Published:2009/7/16 5:34:00 Author:Jessie | From:SeekIC

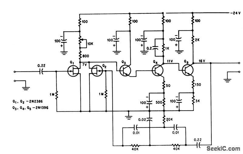
Gives gain of 1,400 for null detector of 400-cps impedance bridge, with measuring accuracy of one part per million.-W. A. Rhinehart and L.Mourlam, FET Performs Well in Balancing Act, Electronics, 38:19, p 88-92.
Reprinted Url Of This Article:
http://www.seekic.com/circuit_diagram/Power_Supply_Circuit/DRAIN_COUPLED_ADDER.html
Print this Page | Comments | Reading(3)
Code: