Published:2009/7/14 22:07:00 Author:Jessie | From:SeekIC

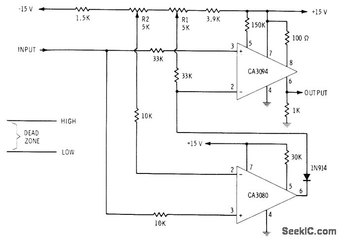
Provides 12-V output when applied DC input signal exceeds reference high limit established by setting of R1 or falls below reference low limit established by setting of R2. When input drops below low limit, CA3080 changes CA3094 to high-output condition. Output is low in voltage window between limits (dead zone).-E. M. Noll, Linear IC Principles, Experiments, and Projects, Howard W. Sams, Indianapolis, IN, 1974, p 317-318.
Reprinted Url Of This Article:
http://www.seekic.com/circuit_diagram/Power_Supply_Circuit/DUAL_LIMIT_DETECTOR.html
Print this Page | Comments | Reading(3)
Code: