Published:2009/7/20 4:20:00 Author:Jessie | From:SeekIC

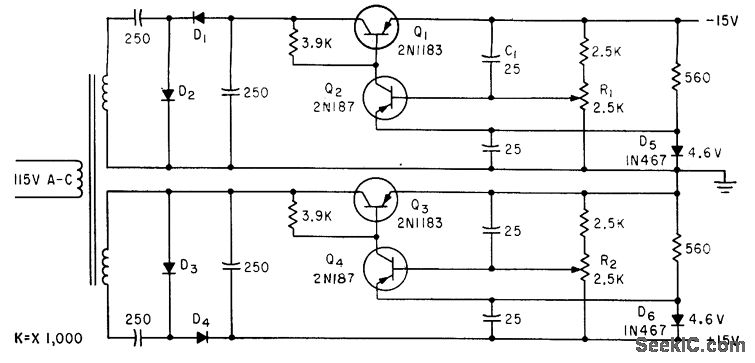
Output voltage is adjustable from 11 to15 v d-c and nearly constant from no load to 300 ma, or from 90 to 140 v ac line voltage.-D. T. Birch and K. E. Challis, Regulated Positive. Negative Supply Delivers Low-Voltage Direct Current, Electronics, 34:30, p 62.
Reprinted Url Of This Article:
http://www.seekic.com/circuit_diagram/Power_Supply_Circuit/DUAL_POLARITY_15_V_SUPPLY.html
Print this Page | Comments | Reading(3)
Code: