Published:2009/7/21 5:55:00 Author:Jessie | From:SeekIC

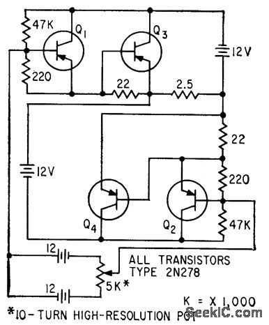
Diagonally symmetrical power transistor circuit permits smooth load current variation over range of several amperes at either polarity. Rectifier supply can be used in place of storage batteries. Maximum current drain from two 12-V dry cells in 5K potentiometer control circuit is 7 ma.-R. R.Bockemuehl, Transistor Rectifier Gives D-C of Either Polarity, Electronics, 32:25, p 76.
Reprinted Url Of This Article:
http://www.seekic.com/circuit_diagram/Power_Supply_Circuit/DUAL_POLARITY_VARIABLE_D_C_SUPPLY.html
Print this Page | Comments | Reading(3)
Code: