Published:2009/6/18 23:04:00 Author:May | From:SeekIC

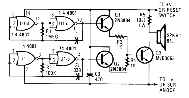
An outside horn-type speaker works best with the circuit. However, such devices require a great deal of power, so this sounder should only be used in alarm circuits where at least a 6-A SCR is used as the sounder driver.A single CMOS 4001 quad 2-input NOR gate, two 2N3904 general-purpose npn transistors, and a single MJE3055 power transistor combine to generate a two-tone output. Gates UI-a and UI-b are configured as a simple feedback oscillator with R2 and C2 setting the oscillator's frequency. With the values shown, the circuit oscillates at about 500 Hz.Gates U1-c and U1-d are connected in a similar oscillator circuit, but they operate at a much lower frequency. The oscillator frequencies (and thus the tones that they produce) can be altered by increasing or decreasing the values of R1 and C1 for the low-frequency oscillator and R2 and C2 for the high-frequency oscillator. Decreasing the values of those components will increase the frequency; increasing their values will decrease the frequency.The two oscillator outputs are connected to separate amplifiers (configured as emitter follow-ers), whose outputs are used to drive a single power transistor (Q3, an MJE3055). A 10-Ω, 5-W re-sistor, R5, is used to limit the current through the speaker and Q3 to a safe level. To boost the sound level, R5 can be replaced with another speaker.
Reprinted Url Of This Article:
http://www.seekic.com/circuit_diagram/Power_Supply_Circuit/DUAL_TONE_SOUNDER.html
Print this Page | Comments | Reading(3)
Code: